一、開關變壓器詳解
(一)開關變壓器的作用與特點
開關變壓器是開關電源中的核心組件,其工作頻率通常在十幾至幾百千赫茲之間,為了適配高頻脈沖狀態,一般采用鐵氧體磁芯。在高頻電路中,開關變壓器主要承擔電壓變換、絕緣隔離以及功率傳遞的重要任務。
與傳統工頻變壓器相比,開關變壓器能夠在更高的頻率下工作,這使得其體積更小、重量更輕,同時提高了電能轉換效率。鐵氧體磁芯具有高磁導率、低損耗的特點,能夠在高頻條件下保持良好的性能,確保開關變壓器穩定可靠地運行。
(二)開關變壓器的分類
根據工作模式和輸入脈沖特性,開關變壓器可以分為以下幾類:
反激式變壓器 :反激式變壓器在開關管導通時,變壓器的初級線圈儲能,次級線圈不輸出能量;當開關管截止時,初級線圈中的能量通過次級線圈釋放給負載。這種變壓器結構簡單,常用于小功率開關電源中。
正激式變壓器 :正激式變壓器在開關管導通時,變壓器的初級線圈直接供電給次級線圈,次級線圈立即輸出能量。正激式變壓器適用于中等功率的開關電源,能夠提供穩定的電壓輸出。
單激式變壓器 :單激式變壓器的輸入為單極性脈沖電壓,通常由直流輸入電壓通過控制開關的通斷產生。這種變壓器的結構相對簡單,成本較低,適用于一些對成本敏感的應用場景。
雙激式變壓器 :雙激式變壓器的輸入為雙極性脈沖電壓,能夠在正負兩個半周都傳輸能量,提高了變壓器的利用率。雙激式變壓器適用于高功率密度的開關電源設計。
(三)開關變壓器的工作原理
以單激式變壓器開關電源為例,其等效電路將直流輸入電壓通過控制開關的通斷作用,轉換為一系列直流脈沖電壓,即單極性脈沖電壓,直接供給開關變壓器。這種工作方式使得變壓器能夠在高頻條件下高效地進行電壓變換和功率傳遞。


在開關變壓器電路中,當輸入電壓為零時,表示輸入端是開路的,這是因為電源內阻可以視為無限大。這與傳統電源變壓器電路有所不同,在傳統電路中,當輸入電壓為零時,輸入端被視為短路,因為電源內阻可以忽略不計。
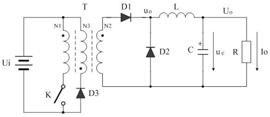
對于正激式變壓器開關電源,其原理圖如 [正激式變壓器開關電源原理圖] 所示。在該電路中,當變壓器的初級線圈被直流電壓激勵時,次級線圈正好有功率輸出。

其中,Ui 是開關電源的輸入電壓,T 是開關變壓器,K 是控制開關,L 是儲能濾波電感,C 是儲能濾波電容,D2 是續流二極管,D3 是削反峰二極管,R 是負載電阻。

其中,Ui 是開關電源的輸入電壓,T 是開關變壓器,K 是控制開關,L 是儲能濾波電感,C 是儲能濾波電容,D2 是續流二極管,D3 是削反峰二極管,R 是負載電阻。
二、MOS 管在開關電源中的應用
(一)MOS 管在電源管理中的關鍵作用
高效開關控制 :在 DC-DC 轉換器(如 Buck、Boost 電路)中,MOS 管作為高頻開關,能夠通過快速導通和關斷來調節輸出電壓,顯著提升轉換效率。其高速切換特性使得電源能夠在不同的工作模式之間快速轉換,滿足負載變化的需求。
功耗管理 :MOS 管的低導通電阻(RDS(on))特性能夠有效減少導通損耗,尤其在低電壓大電流的應用場景(如鋰電池供電設備)中,可顯著降低發熱,提高電源的能效。這對于延長電池壽命和提高設備的可靠性具有重要意義。
電壓穩壓與保護 :在低壓差穩壓器(LDO)中,MOS 管與控制芯片配合,能夠穩定輸出電壓,并通過過流、過壓保護電路防止器件損壞。這種保護功能確保了電源系統在異常情況下的安全運行,避免因過流或過壓導致的設備故障。
反向電流阻斷 :MOS 管在電源路徑中能夠防止電流倒灌,保護敏感元件(如 USB OTG 應用中的 VBUS 隔離)。這一特性對于多電源系統和需要雙向供電的應用尤為重要,能夠避免電流從負載回流到電源,保護電源和負載免受損壞。
(二)開關電源 MOS 管的選型方法
電壓參數
VDS(漏源擊穿電壓) :需高于電路最大電壓的 30% - 50% 余量。例如,在 12V 系統中,建議選擇耐壓值在 30V 以上的 MOS 管,以確保在電壓波動或異常情況下,MOS 管不會因過壓而損壞。
VGS(柵源耐壓) :確保驅動電壓(如 5V/10V)不超過 MOS 管極限(如 ±20V)。過高的柵源電壓可能會導致 MOS 管的柵極絕緣層損壞,影響其正常工作和可靠性。
電流能力
連續電流(ID) :根據負載最大電流選擇,通常選擇 MOS 管的連續電流能力比負載最大電流高 1.5 - 2 倍。例如,對于 5A 的負載,建議選擇 ID ≥ 8A 的 MOS 管,以保證在長時間工作過程中,MOS 管不會因過熱而損壞。
脈沖電流(ID_pulse) :為應對瞬間峰值電流(如電機啟動電流),需留足余量。MOS 管在脈沖電流下的承受能力通常比連續電流高,但也不能超過其極限值,否則可能會導致 MOS 管的永久性損壞。
導通電阻(RDS(on))
低 RDS(on) 優先 :低導通電阻能夠減少導通損耗,提高電源效率。例如,在 12V/10A 的應用中,若 MOS 管的 RDS(on) 為 10mΩ,則導通損耗僅為 1W(P = I²R);而若 RDS(on) 為 50mΩ,則損耗達 5W。這對于高功率密度和高效率的電源設計尤為重要。
權衡成本與性能 :雖然超低 RDS(on) 的 MOS 管能夠提供更好的性能,但其價格相對較高。在實際選型中,需要根據散熱條件、電源效率要求以及成本預算,合理選擇 RDS(on) 合適的 MOS 管。
開關速度
柵極電荷(Qg) :在高頻應用(如 > 100kHz 開關頻率)中,應選擇 Qg 較小的型號(如 20nC),以降低驅動損耗。較小的 Qg 表示驅動 MOS 管所需的能量較少,這對于高頻開關電源中的驅動電路設計至關重要。
開關時間(td(on)/td(off)) :開關時間影響電磁干擾(EMI)和電源效率,需匹配驅動電路。例如,使用專用柵極驅動 IC 時,應確保 MOS 管的開關時間與驅動 IC 的特性相匹配,以實現快速、可靠的開關動作,同時減少 EMI 的產生。
熱管理
封裝類型 :根據功率需求和散熱條件選擇合適的封裝類型。例如,TO-220 封裝帶有散熱片,適用于功率大于 10W 的應用場景;SOT-23 封裝適用于小功率應用;而 DFN 封裝則具有緊湊型和高散熱的特點,適用于對空間要求嚴格的高功率密度設計。
結溫(Tj)與熱阻(RθJA) :需要計算功率損耗(P = I²RDS(on) + 開關損耗),確保結溫低于 125℃(工業級)。在實際應用中,可以通過增加散熱片、優化 PCB 布局等方式降低熱阻,提高散熱性能,保證 MOS 管在安全的溫度范圍內工作。
(三)不同應用場景下的 MOS 管選擇
同步整流 :在同步整流應用中,應選擇低 Qg 的 MOS 管(如 OptiMOS 系列),以提升反向恢復效率。低 Qg MOS 管能夠減少開關過程中的能量損耗,提高同步整流電路的效率,特別適用于高頻率、高效率的 DC-DC 轉換器。
高邊開關 :高邊開關應用需要 MOS 管兼容自舉電路,通常選用邏輯電平 MOS 管(VGS(th) < 2.5V)。邏輯電平 MOS 管能夠在較低的驅動電壓下工作,與常見的邏輯電路電平兼容,便于驅動控制,適用于電機驅動、LED 照明等高邊開關應用。
電池保護 :在電池保護電路中,優先選擇低靜態電流的 MOS 管(如 < 1μA)。低靜態電流 MOS 管能夠在電池未工作時減少電量消耗,延長電池使用壽命,這對于便攜式設備和電池供電系統尤為重要。
〈烜芯微/XXW〉專業制造二極管,三極管,MOS管,橋堆等,20年,工廠直銷省20%,上萬家電路電器生產企業選用,專業的工程師幫您穩定好每一批產品,如果您有遇到什么需要幫助解決的,可以直接聯系下方的聯系號碼或加QQ/微信,由我們的銷售經理給您精準的報價以及產品介紹
〈烜芯微/XXW〉專業制造二極管,三極管,MOS管,橋堆等,20年,工廠直銷省20%,上萬家電路電器生產企業選用,專業的工程師幫您穩定好每一批產品,如果您有遇到什么需要幫助解決的,可以直接聯系下方的聯系號碼或加QQ/微信,由我們的銷售經理給您精準的報價以及產品介紹
聯系號碼:18923864027(同微信)
QQ:709211280

