圖1中所示為一個典型的直流電機控制電路。
電路得名于“H橋驅動電路”是由于它的外形酷似字母H。4個三極管組成H的4條垂直腿,而電機就是H中的橫杠(留意:圖1及隨后的兩個圖都只是表示圖,而不是完好的電路圖,其中三極管的驅動電路沒有畫出來)。
如圖所示,H橋式電機驅動電路包括4個三極管和一個電機。要使電機運轉,必需導通對角線上的一對三極管。依據不同三極管對的導通狀況,電流可能會從左至右或從右至左流過電機,從而控制電機的轉向。


mos管h橋電路
要使電機運轉,必需使對角線上的一對三極管導通。例如,如圖2所示,當Q1管和Q4管導通時,電流就從電源正極經Q1從左至右穿過電機,然后再經Q4回到電源負極。按圖中電流箭頭所示,該流向的電流將驅動電機順時針轉動。當三極管Q1和Q4導通時,電流將從左至右流過電機,從而驅動電機按特定方向轉動(電機四周的箭頭指示為順時針方向)。


mos管h橋電路
圖3所示為另一對三極管Q2和Q3導通的狀況,電流將從右至左流過電機。當三極管Q2和Q3導通時,電流將從右至左流過電機,從而驅動電機沿另一方向轉動(電機四周的箭頭表示為逆時針方向)。


mos管h橋電路
二、使能控制和方向邏輯
驅動電機時,保證H橋上兩個同側的三極管不會同時導通十分重要。假如三極管Q1和Q2同時導通,那么電流就會從正極穿過兩個三極管直接回到負極。此時,電路中除了三極管外沒有其他任何負載,因而電路上的電流就可能到達最大值(該電流僅受電源性能限制),以至燒壞三極管?;谏鲜鼍売?,在實踐驅動電路中通常要用硬件電路便當地控制三極管的開關。
改良電路在根本H橋電路的根底上增加了4個與門和2個非門。4個與門同一個“使能”導通訊號相接,這樣,用這一個信號就能控制整個電路的開關。而2個非門經過提供一種方向輸人,能夠保證任何時分在H橋的同側腿上都只要一個三極管能導通。(與本節前面的表示圖一樣,圖4所示也不是一個完好的電路圖,特別是圖中與門和三極管直接銜接是不能正常工作的)


mos管h橋電路
采用以上辦法,電機的運轉就只需求用三個信號控制:兩個方向信號和一個使能信號。假如DIR-L信號為0,DIR-R信號為1,并且使能信號是1,那么三極管Q1和Q4導通,電流從左至右流經電機(如圖5所示);假如DIR-L信號變為1,而DIR-R信號變為0,那么Q2和Q3將導通,電流則反向流過電機。


mos管h橋電路
實踐運用的時分,用分立元件制造H橋是很費事的,好在如今市面上有很多封裝好的H橋集成電路,接上電源、電機和控制信號就能夠運用了,在額定的電壓和電流內運用十分便當牢靠。附兩張分立元件的H橋驅動電路:


mos管h橋電路
三.電源轉壓模塊
所謂電源轉壓是將輸入電壓經過轉壓電路完成升/降壓功用以供其他模塊運用,智能車制造中,輸入電池電壓為7.2V,其他模塊所需電壓如下:最小系統板/OLED/鷹眼攝像頭3.3V、運放供電±5V、舵機供電6V、驅動電路12V、CCD/編碼器5V。下面就轉壓電路做一些相關引見。
穩壓電路主要分為以下種類:


mos管h橋電路
1.2940轉5V:
2940屬串聯型線性穩壓電路(只用于降壓),此類電路構造簡單、穩定性高、但功耗大、體積大、濾波效率低,須有較大的輸入和輸出濾波電容。


mos管h橋電路
2.34063轉12V34063
屬于開關型直流穩壓芯片(可用于升/降壓),此類電路功耗小、效率高、體積小、重量輕、穩壓范圍寬,但其電路構造較復雜、毛病率較高。
其工作原理是,升壓時其芯片內部經過開關管不時導通(其頻率與定時電容有關),儲能電感與電容短時間內不時充放電對負載提供能量(電感能夠選的大一點)以輸出連續的直流電壓,另Uo=1.25*(1+R4/R3)(參見手冊公式)。


mos管h橋電路
3.29302轉6V:
29302是一種線性可調穩壓器,運用辦法與34063電路相仿,可供大電流負載運用,其電壓輸出公式為Uo=1.242*(1+R1/R2)。本例中輸出6V給舵機供電。


mos管h橋電路
4.2663轉-5V:
2663可作為一個簡單的負電壓轉換器,該電壓逆變器電路只運用兩個外部電容器。


mos管h橋電路
注:應盡量防止由于人工操作失誤等緣由形成的電路反接,可在電路中添加防反接設計
1.應用二極管的單導電性


mos管h橋電路
2.MOS管型防反接維護電路
NMOS管接在電源的負極,柵極高電平導通。PMOS管接在電源的正極,柵極低電平導通。(NMOS管的導通電阻比PMOS的小,最好選NMOS)


mos管h橋電路
3. 各類防反接接口
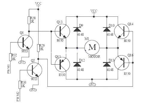
1)電機驅動
電路首先,單片機能夠輸出直流信號,但是它的驅動才能也是有限的,所以單片機普通做驅動信號,驅動大的功率管如Mos管,來產生大電流從而驅動電機,且占空比大小能夠經過驅動芯片控制加在電機上的均勻電壓到達轉速調理的目的。電機驅動主要采用N溝道MOSFET構建H橋驅動電路,H 橋是一個典型的直流電機控制電路,由于它的電路外形酷似字母 H,故得名曰“H 橋”。4個開關組成H的4條垂直腿,而電機就是H中的橫杠。要使電機運轉,必需使對角線上的一對開關導通,經過不同的電流方向來控制電機正反轉,其連通電路如圖所示。


mos管h橋電路
2)H橋驅動原理
實踐驅動電路中通常要用硬件電路便當地控制開關,電機驅動板主要采用兩種驅動芯片,一種是全橋驅動HIP4082,一種是半橋驅動IR2104,半橋電路是兩個MOS管組成的振蕩,全橋電路是四個MOS管組成的振蕩。其中,IR2104型半橋驅動芯片能夠驅動高端和低端兩個N溝道MOSFET,能提供較大的柵極驅動電流,并具有硬件死區、硬件防同臂導通等功用。運用兩片IR2104型半橋驅動芯片能夠組成完好的直流電機H橋式驅動電路,而且IR2104價錢低廉,功用完善,輸出功率相對HIP4082較低,此計劃采用較多。


mos管h橋電路
另外,由于驅動電路可能會產生較大的回灌電流,為避免對單片機產生影響,最好用隔離芯片隔離,隔離芯片選取有很多方式,如2801等,這些芯片常做控制總線驅動器,作用是進步驅動才能,滿足一定條件后,輸出與輸入相同,可停止數據單向傳輸,即單片機信號能夠到驅動芯片,反過來不行。
烜芯微專業制造二三極管,MOS管,20年,工廠直銷省20%,1500家電路電器生產企業選用,專業的工程師幫您穩定好每一批產品,如果您有遇到什么需要幫助解決的,可以點擊右邊的工程師,或者點擊銷售經理給您精準的報價以及產品介紹
烜芯微專業制造二三極管,MOS管,20年,工廠直銷省20%,1500家電路電器生產企業選用,專業的工程師幫您穩定好每一批產品,如果您有遇到什么需要幫助解決的,可以點擊右邊的工程師,或者點擊銷售經理給您精準的報價以及產品介紹

