電路圖功用:運用一個輕觸開關按鍵分離單片機軟件控制來完成單片機電源的“開”和“關”,在關機狀態下電路功耗極低,是一個適用性很強的電路。


電路圖簡明:
1.輕觸開關S1為開關機按鍵,在關機狀態下按S1可使電源“開”,開機狀態下按S1可使電源關。
2.Power output為電源輸出端,銜接單片機主電路。
3.S1-check與單片機的I/O相連,經過檢測其電平狀態來判別S1能否按下。
4.Ctrol也與單片機的I/O相連,經過Ctrl來控制電源的“開”和“關”。
5.開關S2的作用是當單片機死機,程序跑飛之后,只能經過S2來強迫關機。
電路圖解:開機時,按下輕觸開關S1,此時NMOS管Q3的柵極直接與電池正極相連,所以Q3導通,S1 check為低電平;同樣電池電壓經二極管D1也與NMOS管Q2的柵極相連,Q2也會導通。Q2導通后,PMOS管Q1的柵極被拉低,則Q1導通,電源翻開,單片機上電開端初始化。
單片機初始化完成后,檢測到S1 check仍為低電平常,判別為S1按下,則控制Ctrol端輸出高電平,使Q2堅持穩定的導通狀態。這樣也能保證Q1也處于穩定的導通狀態。開機完成。此時,即便松開S1后,電源也會處于翻開狀態,但Q3會截止,S1 check恢復高電平。
當需求關機時,再次按下開關S1,使Q3導通,S1 check為低電平。單片機經過一段延時后,再次判別S1 check仍為低電平話,則判別S1按下,執行關機指令。此時程序保管一切數據,關閉中綴。Ctrol輸出低電平使Q2截止,從而控制Q1截止,切斷電源“主開關”。
但是由于電容的作用,單片機的電源電壓會漸漸變低,此時Ctrol的電平狀態會處于一個不穩定的狀態,但由于電阻R4的作用,能夠保證Q2的柵極堅持被拉低的狀態,使Q2穩定截止。
當單片機電源電壓完整沒有時,Ctrol也是處于低電平狀態,也不能影響Q2的截止。
假如當單片機死機時,程序控制曾經不起作用了,按下開關S2,使Q2強迫關斷,Q1也會關斷,也切斷了單片機的電源。這樣就能夠保證再不時掉整個電路電源狀況下強迫關機。
注意:
1.注意程序的配合,特別是在延時檢測方面。
2.注意這個電路的抗干擾才能。
3.同時剖析一下,本例電路在改換電源時,能否有誤開的時機。
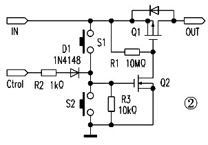
二、單片機電源雙按鍵開關機電路(電路見圖2)
電路圖功用:本例電路圖可經過兩個輕觸按鍵來完成單片機電路電源的“開”和“關”。


電路圖簡明:
1.輸入IN網絡接電池的正極,經開關管Q1可輸出至OUT端。
2.OUT端接單片機的電源端。
3.Ctrol端銜接到單片機的控制引腳。
4.輕觸開關S1為電源“開”按鍵。
5.輕觸開關S2為電源“關”按鍵。
電路圖解:PMOS管Q1為開關管,Q1導通,單片機電源就開;Q1截止,單片機電源就截止。所以,剖析時抓住Q1的導通狀態就行。
當需求開機時,按下開關S1,則NMOS管Q2的柵極為高電平,使Q2導通。Q2導通使PMOS管Q1的柵極為低電平,則Q1會導通,單片機電源開,單片機進入初始化。 單片機初始化后,將Ctrol端輸出高電平,維持Q2的導通,此時松開按鍵S1也不會影響單片機的工作。當需求關機時,按下開關S2,則NMOS管Q2的柵極為低電平,使Q2截止,則Q1也會截止,單片機電源關。此時由于電阻R3的作用,能使Q2堅持截止狀態。到單片機關機完畢后,Ctrol引腳也變成了低電平,Q2也能穩定截止。
注意:
1.大家應該發現本例電路與上例電路的區別,能夠互相比擬一下這兩個電路圖之間的優缺陷。
2.同樣,在電池設備中,功耗是首要思索的,所以這里的MOS管也應該選擇低漏電流的MOS管。
三、單按鍵控制單片機電源開關機電路二(電路見圖3)
電路圖功用:本例電路可完成經過輕觸開關+單片機軟件控制來完成電源的開和關。
電路圖簡明:電路圖中U3為電源轉換芯片,其輸出電源給單片機供電。三極管Q2為整個開關機電路的開關管。
網絡ON-OFF銜接至單片機的I/O口,經過其電平變化檢測按鍵S1能否按下,并判別是開機還是關機。
網絡POWER也銜接至單片機的I/O口,用來控制三極管Q1的開和關。


電路圖解:
1.初始狀態:電路初始狀態下,開關S1沒有被按下,三極管Q2的基極為高電平,處于截止狀態,電源轉換芯片6203沒有電源輸入,也就沒有3.3V的電源輸出。三極管Q1也處于截止狀態。
2.開機狀態:當需求開機時,按下開關S1,使三極管Q2的基極電位被拉低,三極管Q2導通,電源轉換芯片輸出3.3V給單片機供電。單片機上電后,開端初始化。普通初始化時會將I/O引腳置為高電平,但是初始化需求一定的時間,所以S1按下后不能馬上松開。單片機初始化完成后,ON-OFF經過二極管D3被開關S1拉低,單片機檢測到其為低電平,闡明開關被按下,確認開機正常運轉;同理POWER輸出高電平使Q1導通,此時即便開關S1松開,ON-OFF恢復高電平,也不會影響整個系統的工作。至此,電路開機完成。
3.關機狀態:當需求關機時,再次按下開關S1,ON-OFF網絡被拉低,單片機檢測到低電平信號后,經過一段延時再次檢測ON-OFF網絡電平狀態,若仍為低電平,則確以為關機信號。單片機執行關機命令,關閉中綴,保管數據,同時POWER網絡輸出低電平,使三極管Q1截止,Q2的基極恢復高電平,Q2也截止,電源轉換芯片也開端中止工作。
但由于電容C10,C6的作用,單片機電源電壓不會馬上變成0,它是逐步降低的,會惹起I/O的電平狀態不肯定。此時經過下拉電阻R14的作用,可使Q1的基極維持穩定的低電平,保證系統穩定關機。
注意:
1.關機時,單片機不需求初始化,此時按鍵按下的時間不需求太久。
2.本例電路硬件局部不算復雜,主要局部在于程序的配合。
烜芯微專業制造二三極管,MOS管,20年,工廠直銷省20%,1500家電路電器生產企業選用,專業的工程師幫您穩定好每一批產品,如果您有遇到什么需要幫助解決的,可以點擊右邊的工程師,或者點擊銷售經理給您精準的報價以及產品介紹
烜芯微專業制造二三極管,MOS管,20年,工廠直銷省20%,1500家電路電器生產企業選用,專業的工程師幫您穩定好每一批產品,如果您有遇到什么需要幫助解決的,可以點擊右邊的工程師,或者點擊銷售經理給您精準的報價以及產品介紹

